GSF Bore Grille Ring - Tecon Grille Ring - GDSA Piston Seal - OE Piston Seal - OMK-MR Piston Seal
GSF Piston Glyd Ring - Turcon Glyd Ring - GDSA Piston Seal - OE Piston Seal - OMK-MR Piston Seal
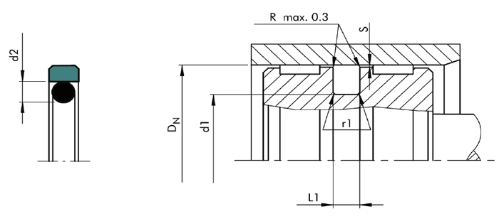
1. Standard materials
Sealing: filled with PTFE
O-ring: Nitrile rubber NBR or fluororubber FKM
2. Application scope
The hydraulic system, reciprocating motion, and heavy-duty bidirectional piston sealing are excellent in high-pressure, low-pressure, and high-frequency working conditions. Suitable for long and short stroke situations, as well as in a wide range of fluids and high temperature situations, suitable for larger piston clearances. For example, it is used in injection molding machines, bulldozers, agricultural machinery, presses, and other machine tools.
Comply with ISO 7425/1 GB/T1542.1-94 GB/T15242.3-94 standard. When designing, reference can be made to Trelleborg's PG4 series, Merkel's OMK-MR series, Parker's OE series, and AS's YB series standards.
3. Features and advantages
The groove is simple and can be used for integral pistons.
Low friction and no crawling phenomenon.
The static sealing performance is very good.
Due to the large extrusion gap, it can also be safely used in media with dirt.
Due to the use of a large number of materials, it has strong adaptability to working conditions.
Large extrusion gaps can be allowed, depending on the application situation, thus reducing processing costs.
Suitable for the latest environmentally safe Hydraulic fluid (bio oil).