Sealing: filled with PTFE F-PTFE and polyurethane sealing ring
O-ring: Nitrile rubber NBR or fluororubber (FKM, FPM)
2. Application scope
The shaft is generally operated in a hydraulic reciprocating motion environment using a grid to circle. Correct use can achieve excellent piston rod sealing in high, medium, low pressure, heavy load, and high frequency operating conditions. The T-shaped shaft with grid rings is particularly suitable for long stroke situations, and can be used in a wide range of fluids and high temperature situations, suitable for large piston rod clearances. For example, it is widely used in equipment such as excavators, bulldozers, forging machines, ceramic brick presses, steel rolling machines, servo valves, and other machine tools.
3. Reference standards:
When designing and selecting the grid ring for DPT type shafts, reference can be made to Trelleborg's PT series standards, etc.
4. Features and Advantages
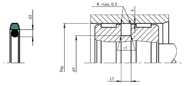
The groove is simple and can be used for integral pistons.
Low friction and no crawling phenomenon.
The static sealing performance is very good.
Due to the large extrusion gap, it can also be safely used in media with dirt.
Due to the use of a large number of materials, it has strong adaptability to working conditions.
Large extrusion gaps can be allowed, depending on the application situation, thus reducing processing costs.
Suitable for the latest environmentally safe Hydraulic fluid (bio oil).