For reciprocated hydraulic system. Possessing excellent performance in high and low pressure and high frequency conditions. Suitable for long and short stroke. Applied to bigger rod diameter in fluids and under high pressure, for example: bulldozers, compressors and other machine tools, etc.
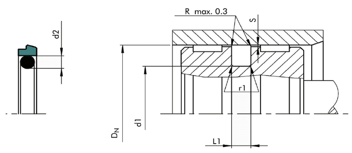
In line with standard ISO 7425/1. Design and apply please referring to Trelleborg’s PS, Merkel’s OMK-S, Parker’s OG, AS’s YAB series standards.
4. Characteristics
1- high extrusion resistance
2- high static and dynamic sealing effect
3- excellent dimensional stability, not affected by temperature
4- excellent cushion performance to high stamping force
5- no confining pressure, can be installed in series
6- low friction, no stick-slip behavior, no viscosity