3Scope of application DAQ2piston sealPTFE sealssavedlow friction, high pressure, high speedcharacteristics, but alsohas arubbersealing characteristics,suitable for a numberof high pressureand requirefasterholding pressureof the occasion. Can be used astwo-way movementof thepiston accumulatorandposition controlcylinder,clampingcylinders and othersealing elementscan be used inmachine tools, presses,mills,shoe machine,piston accumulators,cylinders and otherheavy-dutysuspension.Especially recommended forheavy andlarge diameterapplications. Design selection, pleaserefer toTrelleborgcompanyAQ5series standards.
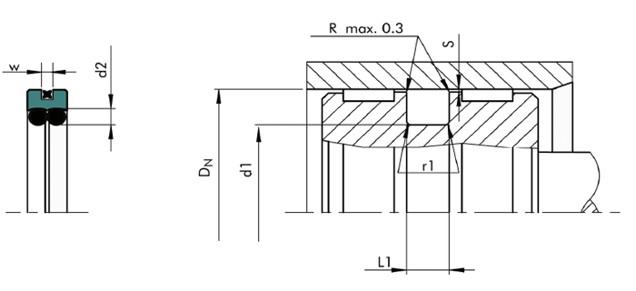
4Features and Benefits 1.Gooddynamic and staticsealing performance; 2.Has thefunction of holding pressure,fuel tankleakagesmall; 3.Slidingperformance, nocrawling; 4.Fornewenvironmentally safehydraulic fluid(bio-oil); 5.Asmoretypes of materialscan be used, so theadaptabilityof working conditions; 6.The combination of lowfriction andhigh elasticityin one, witha doublesecurity; 7.Groove designis simple,small installation space.Grooved dimensions conform toISO 7425/1,with thecell to circle,Lancaster closurepeering; 8.Allowslargerextrusiongap, dependingupon the application, it canreduce processingcosts; 9.Need to beseparatedin thetwo media(example:fluid/fluidor fluid/gas)of the occasion,lowgas permeability,sealingand high efficiency.