SPGW piston seal - SPGW combination seal - PHD combination seal - Y3 piston seal - KHD hole seal
1. Standard materials
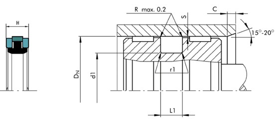
Sealing body: filled with polytetrafluoroethylene or polyurethane PU
Elastomer: Nitrile rubber NBR
Retainer ring: nylon PA or Polyoxymethylene POM
2. Application scope
Hydraulic reciprocating Motor system. The heavy-duty bidirectional piston seal is excellent in high-pressure working conditions. Especially suitable for long stroke and wide range fluid and high-temperature applications, suitable for larger piston clearances. Mainly used in heavy-duty or engineering machinery, cylinder piston seals have good leakage control, extrusion resistance, and wear resistance, such as excavators, heavy-duty hydraulic cylinders, etc.
When designing and selecting, reference can be made to Trelleborg's PHD series, NOK's SPGW series, Parker's Y3 series, and AS's KHD series standards.
3. Features and advantages
1. The groove structure is simple;
2. Due to the large extrusion gap, it can be safely used in media with dirt;
3. No crawling during startup, stable operation;
4. Large extrusion gaps can be allowed;
5. Long service life;
6. Low static and dynamic friction coefficient and low wear;