Turcon Glyd Ring T-PT Piston Glyd Ring Manufacture
1. Name: DPT
Categories: Piston Seals->DPT
Pressure(MPa):60
Temperature (C): -45/+200
Speed(m/s):15
2.Standard Materials
Seal ring : Filled PTFE or PU
O-Ring: NBR or FKM
3.Application Range
For reciprocated hydraulic system. Possessing excellent performance in high, medium and low pressure and in high load, high frequency conditions. Especially suitable for long stroke. Applied to bigger rod diameter in fluids and under high pressure, for example: bulldozers, excavators, forging machines, machines for pressing ceramic bricks, rolling machinery, servo valves and other machine tools, etc.
Design and apply please referring to Trelleborg’s PT。
4.Characteristics
1- allow large extrusion space according to different application, low cost
2- high static sealing effect
3- be able to work in dusty condition due to large extrusion gap
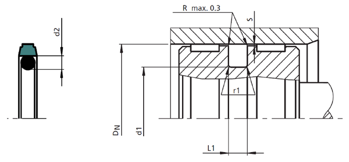
4- simple groove design, suitable for integral piston
5- low friction , no stick-slip behavior
6- available in various materials, strong adaptability to working conditions
7- be able to work in the latest environmental protecting hydraulic oil (biology oil )